更多其他规格产品以及特制化需求,请联系我司销售人员。
Applications
l GAS Detection
l Other transmission system
Absolute Maximum Ratings
Parameter | Symbol | Unit | Min. | Typ. | Max. |
LD Reverse Voltage | Vr | V |
| 3.0 |
|
LD Forward Current | If | mA |
|
| 100 |
PD Reverse Voltage | Vr | V |
| 15.0 |
|
TEC Operating Current | Itec | A |
| 2.5 |
|
TEC Operating Voltage | Vtec | V |
| 3 |
|
Operating temperature | Topr | ℃ | -10 |
| +70 |
Storage temperature | Tstg | ℃ | -40 |
| +85 |
Soldering Temperature | Ts | ℃ |
| 260 |
|
Electro-Optical Characteristics(T=25℃)
Parameter | Symbol | Min. | Typ. | Max. | Unit | Conditions |
Threshold Current | Ith |
| 20 | 30 | mA | CW |
Optical Output Power | Po | 1 |
|
| mW | CW, Iop=80mA |
Slope Efficiency | SE |
| 0.05 |
| W/A | CW, Po=5mV |
Operating voltage | Vo |
| 1.5 | 2 | V | CW, Po=5mV |
Peak Wavelength | λc | 2002 | 2004 | 2006 | nm | CW, Iop=80mA |
Side Mode Suppression Ratio | SMSR | 35 | 40 |
| dB | CW, Iop=80mA |
Spectral Width(-20dB) | △λ |
| 0.2 | 0.5 | nm | CW, Po=5mV |
Wavelength shift over temperature | Δλ/T |
| 0.1 |
| nm/℃ | CW, Iop=80mA |
Wavelength shift over Current | Δλ/I |
| 0.01 |
| nm/mA | CW, Iop=80mA |
Isolation | ISO |
| 30 |
| dBm | 25°C |
Thermistor | Rth | 9 | 10 | 11 |
| 25ºC |
Thermistor Current | Irth | 20 |
| 100 | uA | 25ºC |
备注:具体指标以实际交付产品为准.
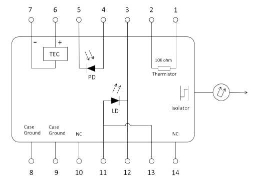
Dimensions
1 | Thermistor | 8 | Null |
2 | Thermistor | 9 | Null |
3 | LD - | 10 | Null |
4 | PD + | 11 | LD + |
5 | PD - | 12 | LD - |
6 | TEC + | 13 | LD + |
7 | TEC - | 14 | Null |

Order information
