更多其他规格产品以及特制化需求,请联系我司销售人员。
Applications
l GAS Detection
l Other transmission system
Absolute Maximum Ratings
Parameter | Symbol | Unit | Min. | Typ. | Max. |
LD Reverse Voltage | Vr | V |
| 3.0 |
|
LD Forward Current | If | mA |
|
| 100 |
PD Reverse Voltage | Vr | V |
| 15.0 |
|
TEC Operating Current | Itec | A |
| 2.5 |
|
TEC Operating Voltage | Vtec | V |
| 3 |
|
Operating temperature | Topr | ℃ | -10 |
| +70 |
Storage temperature | Tstg | ℃ | -40 |
| +85 |
Soldering Temperature | Ts | ℃ |
| 260 |
|
Electro-Optical Characteristics(T=25℃)
Parameter | Symbol | Min. | Typ. | Max. | Unit | Conditions |
Threshold Current | Ith |
| 10 | 15 | mA | CW |
Optical Output Power | Po | 8 |
|
| mW | CW, Iop=80mA |
Slope Efficiency | SE |
| 0.1 |
| W/A | CW, Po=5mV |
Operating voltage | Vo |
| 1.5 | 2 | V | CW, Po=5mV |
Peak Wavelength | λc | 1576 | 1578 | 1580 | nm | CW, Iop=80mA |
Side Mode Suppression Ratio | SMSR | 35 | 40 |
| dB | CW, Iop=80mA |
Spectral Width(-20dB) | △λ |
| 0.2 | 0.5 | nm | CW, Po=5mV |
Wavelength shift over temperature | Δλ/T |
| 0.1 |
| nm/℃ | CW, Iop=80mA |
Wavelength shift over Current | Δλ/I |
| 0.01 |
| nm/mA | CW, Iop=80mA |
Isolation | ISO |
| 30 |
| dBm | 25°C |
Thermistor | Rth | 9 | 10 | 11 |
| 25ºC |
Thermistor Current | Irth | 20 |
| 100 | uA | 25ºC |
备注:具体指标以实际交付产品为准。
Dimensions
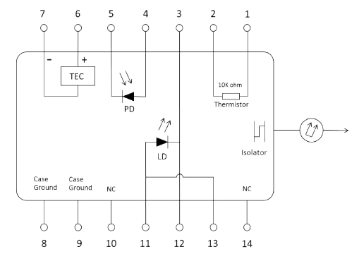
1 | Thermistor | 8 | Null |
2 | Thermistor | 9 | Null |
3 | LD - | 10 | Null |
4 | PD + | 11 | LD + |
5 | PD - | 12 | LD - |
6 | TEC + | 13 | LD + |
7 | TEC - | 14 | Null |

Order information

IMPORTANT NOTICE: ALL SPECIFICATIONS, TECHNICAL DATA AND OTHER INFORMATION CONTAINED IN THIS DOCUMENT, AND ALL STATEMENTS ABOUT THE PRODUCT(S) IDENTIFIED IN THIS DOCUMENT, ARE PRELIMINARY IN NATURE AND ARE PROVIDED “AS IS,” WITHOUT WARRANTY OR ASSURANCE OF ANY KIND.