更多其他规格产品以及特制化需求,请联系我司销售人员。
Applications
l Face recognition
l AR/VR
l Distance Detection
l 3D Reconstruction
Absolute Maximum Ratings
Parameter | Symbol | Unit | Min. | Typ. | Max. |
Operating Temperature | To | ℃ | -0 |
| 80℃ |
Storage Temperature | Ts | ℃ | -40 |
| 85℃ |
Soldering Temperature | Ts | ℃ |
| 260 |
|
Electro-Optical Characteristics(T=25℃,1khz,DC 10%)
Parameter | Symbol | Min. | Typ. | Max. | Unit | Conditions |
Threshold Current | Ith |
| 0.5 |
| A |
|
Slope Efficiency | SE |
| 0.9 |
| W/A | 2.5A,25℃ |
Optical Output Power | Po |
| 2 |
| W | 2.5A,25℃ |
Operating voltage | Vf |
| 2.1 | 2.5 | V | 2.5A,25℃ |
Peak Wavelength | λc | 840 | 850 | 860 | nm | 2.5A,25℃ |
Power conversion efficiency | PCE | 35 | 40 |
| % | 2.5A,25℃ |
Wavelength shift over temperature | Δλ/ΔT |
| 0.07 |
| nm/℃ | @0-70° |
Divergence angles |
|
| 90*70 |
| ° |
|
|
| 72*58 |
| ° |
|
|
| 60*45 |
| ° |
|
备注;具体指标以实际交付产品为准。
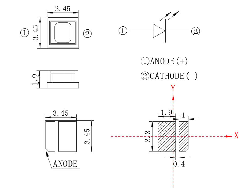
Dimensions

IMPORTANT NOTICE: ALL SPECIFICATIONS, TECHNICAL DATA AND OTHER INFORMATION CONTAINED IN THIS DOCUMENT, AND ALL STATEMENTS ABOUT THE PRODUCT(S) IDENTIFIED IN THIS DOCUMENT, ARE PRELIMINARY IN NATURE AND ARE PROVIDED “AS IS,” WITHOUT WARRANTY OR ASSURANCE OF ANY KIND.